Bitte warten...

Produkte / Keramische Heizelemente / Flachheizer

Flachheizer

Flachheizer

Allgemeine Beschreibung:

Das aktuell kleinste Heizelement von Bach RC. Trotz der geringen Abmessungen ist der Typ HS mit einer Nominalleistung von über 30 W äußerst leistungsfähig. Die kleinen Flachheizelemente kommen vor allem dort zum Einsatz, wo auf geringem Bauraum Wärme präzise und mit hoher Leistungsdichte erzeugt werden soll, beispielsweise bei Düsenbeheizungen, zur dynamischen Beheizung von Werkzeugspitzen - etwa bei Pick-and-Place-Anwendungen, Flip-Chip- oder Die-Bondprozessen in der Elektronik und Halbleiterfertigung. Durch die geringe Masse des Heizelementes muss nicht unnötigerweise viel umgebendes Material erwärmt werden: Das hilft, Energie zu sparen indem Abwärme in die Umgebung des Heizelementes vermieden wird. Die "thermische Masse" bleibt gering, das Heizelement reagiert dynamisch beim Aufheizen und kühlt auch schnell wieder ab.


Grundwerte:

Parameter Wert
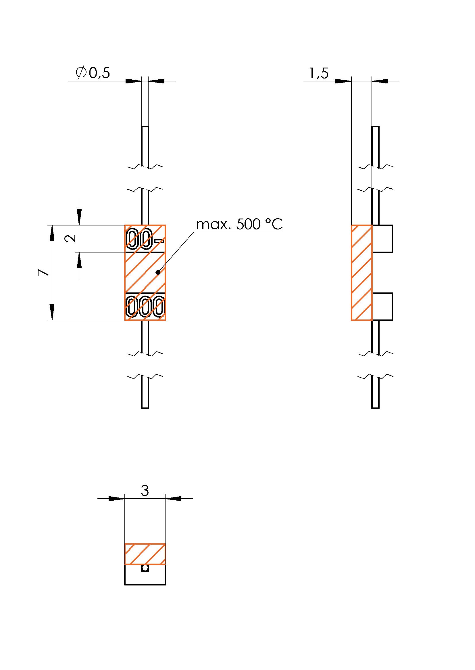
Abmaße 7 x 3 x 1,5 mm
Beheizter Bereich 7 x 3 x 1,5 mm
Tmax 500 °C

Details:

Standard

Beschreibung

* Die tatsächliche Leistung ist vom Widerstand, der Temperatur und der Spannung abhängig.

Parameter Wert
Artikelnr. FLE 100 576
Widerstand @ 20 °C 18,7 Ω ±25 %
Nennspannung 24 V
Nennleistung @ 20 °C 30,8 W*