Bitte warten...

Produkte / Keramische Heizelemente / Flachheizer

Flachheizer

Flachheizer

Allgemeine Beschreibung:

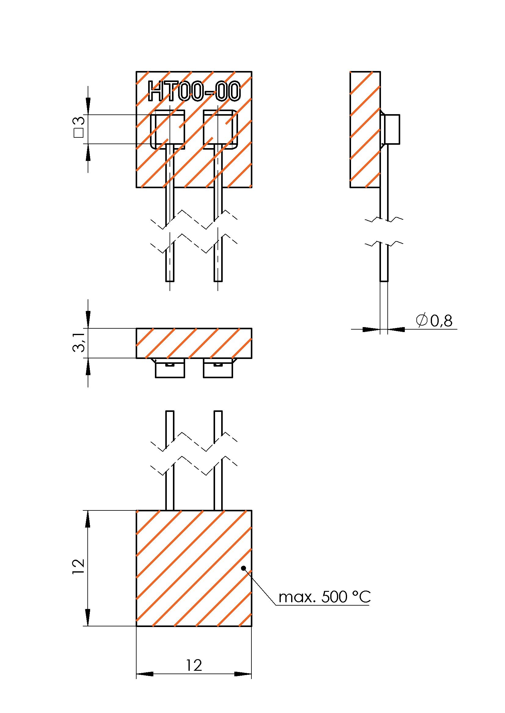
Mit der praktischen quadratischen Grundfläche von 12 mm x 12 mm wird das Heizelement vom Typ HT oft als beheizter Probenträger in Forschungs- und Entwicklungsanwendungen eingesetzt. Die gute chemische Beständigkeit der Siliziumnitridkeramik des Heizelementes erlaubt einen solchen Einsatz auch bei aggressivem Probenmaterial. Die Härte und Verschleißbeständigkeit garantiert lange Verwendbarkeit. Weitere Anwendungsgebiete sind die Mikroelektronik und Medizintechnik.


Grundwerte:

Parameter Wert
Abmaße 12 x 12 x 3,1 mm
Beheizter Bereich 12 x 12 x 3,1 mm
Tmax 500 °C

Details:

Standard

Beschreibung

* Die tatsächliche Leistung ist vom Widerstand, der Temperatur und der Spannung abhängig.

Parameter Wert
Artikelnr. FLE 100 589
Widerstand @ 20 °C 18,3 Ω ±25 %
Nennspannung 24 V
Nennleistung @ 20 °C 31,5 W*