Bitte warten...

Produkte / Keramische Heizelemente / Chipheizer

Chipheizer

Chipheizer

Allgemeine Beschreibung:

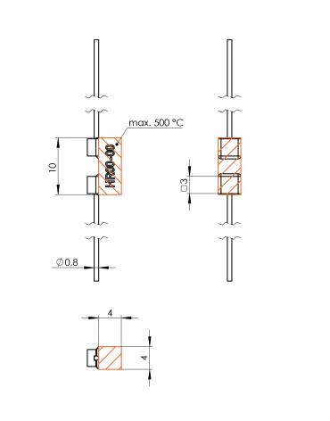
Mit über 40 W Nennleistung ist das Heizelement vom Typ HR ein kraftvoller Miniaturheizer. Die quadratische Auslegung von Breite und Höhe des Heizelementes erlaubt es, auch die Seitenflächen zur Wärmeübertragung zu nutzen. Damit bietet sich der Typ HR für den teilweise versenkten Einbau an, zum Beispiel zur platzsparenden und gezielten Beheizung von Werkzeugen zum Handling und gleichzeitigen Erwärmen elektronischer Bauteile oder auch zum Die-Bonden.


Grundwerte:

Parameter Wert
Abmaße 10 x 4,0 x 4,0 mm
Beheizter Bereich 10 x 4,0 x 4,0 mm
Tmax 500 °C

Details:

Standard

Beschreibung

* Die tatsächliche Leistung ist vom Widerstand, der Temperatur und der Spannung abhängig.

Parameter Wert
Artikelnr. FLE 100 219
Widerstand @ 20 °C 14 Ω ±25 %
Nennspannung 24 V
Nennleistung @ 20 °C 41 W*